web stats

Tekmar 260 Wiring Diagram: Master Your Heating Control! tekmar 256 wiring diagram

If you are looking for Tekmar 256 Wiring Diagram - Wiring Diagram Pictures you've visit to the right place. We have 25 Pictures about Tekmar 256 Wiring Diagram - Wiring Diagram Pictures like Tekmar Boiler Control 260 Wiring Diagram, Tekmar Boiler Control 260 Wiring Diagram - Circuit Diagram and also Tekmar Boiler Control 260 Wiring Diagram - Circuit Diagram. Here you go:

Tekmar 256 Wiring Diagram - Wiring Diagram Pictures

Tekmar 256 Wiring Diagram - Wiring Diagram Pictures schematron.org

Tekmar 256 Wiring Diagram - Wiring Diagram Pictures

Tekmar Boiler Control 260 Wiring Diagram - Circuit Diagram

Tekmar Boiler Control 260 Wiring Diagram - Circuit Diagram www.circuitdiagram.co

Tekmar Boiler Control 260 Wiring Diagram - Circuit Diagram

Tekmar 256 Wiring Diagram - Wiring Diagram Pictures

Tekmar 256 Wiring Diagram - Wiring Diagram Pictures schematron.org

Tekmar 256 Wiring Diagram - Wiring Diagram Pictures

Pdf Download | Tekmar 260 Boiler Control User Manual (20 Pages)

Pdf Download | tekmar 260 Boiler Control User Manual (20 pages) www.manualsdir.com

Pdf Download | tekmar 260 Boiler Control User Manual (20 pages)

Tekmar 256 Wiring Diagram

Tekmar 256 Wiring Diagram wiringall.com

Tekmar 256 Wiring Diagram

Tekmar 256 Wiring Diagram - Wiring Diagram Pictures

Tekmar 256 Wiring Diagram - Wiring Diagram Pictures schematron.org

Tekmar 256 Wiring Diagram - Wiring Diagram Pictures

Tekmar 256 Wiring Diagram - Wiring Diagram Pictures

Tekmar 256 Wiring Diagram - Wiring Diagram Pictures schematron.org

Tekmar 256 Wiring Diagram - Wiring Diagram Pictures

Tekmar Boiler Control 260 Wiring Diagram - Circuit Diagram

Tekmar Boiler Control 260 Wiring Diagram - Circuit Diagram www.circuitdiagram.co

Tekmar Boiler Control 260 Wiring Diagram - Circuit Diagram

Volvo Penta D4 260 Wiring Diagram - Wiring Diagram

Volvo Penta D4 260 Wiring Diagram - Wiring Diagram wiringdiagram.2bitboer.com

Volvo Penta D4 260 Wiring Diagram - Wiring Diagram

Dopaint: Tekmar 260 Wiring Diagram

Dopaint: Tekmar 260 Wiring Diagram dopaint1.blogspot.com

Dopaint: Tekmar 260 Wiring Diagram

Tekmar Boiler Control 260 Wiring Diagram Dopaint: Tekmar 260

Tekmar Boiler Control 260 Wiring Diagram Dopaint: Tekmar 260 itakufacnoschematic.z14.web.core.windows.net

Tekmar Boiler Control 260 Wiring Diagram Dopaint: Tekmar 260

Tekmar 256 Wiring Diagram

Tekmar 256 Wiring Diagram wiringall.com

Tekmar 256 Wiring Diagram

Tekmar Boiler Control 260 Wiring Diagram - Circuit Diagram

Tekmar Boiler Control 260 Wiring Diagram - Circuit Diagram www.circuitdiagram.co

Tekmar Boiler Control 260 Wiring Diagram - Circuit Diagram

Tekmar 256 Wiring Diagram

Tekmar 256 Wiring Diagram wiringall.com

Tekmar 256 Wiring Diagram

Tekmar 256 Wiring Diagram

Tekmar 256 Wiring Diagram wiringall.com

Tekmar 256 Wiring Diagram

Dopaint: Tekmar 260 Wiring Diagram

Dopaint: Tekmar 260 Wiring Diagram dopaint1.blogspot.com

Dopaint: Tekmar 260 Wiring Diagram

Dopaint: Tekmar 260 Wiring Diagram

Dopaint: Tekmar 260 Wiring Diagram dopaint1.blogspot.com

Dopaint: Tekmar 260 Wiring Diagram

Tekmar 256 Wiring Diagram - Wiring Diagram Pictures

Tekmar 256 Wiring Diagram - Wiring Diagram Pictures schematron.org

Tekmar 256 Wiring Diagram - Wiring Diagram Pictures

Tekmar Boiler Control 260 Wiring Diagram - Circuit Diagram

Tekmar Boiler Control 260 Wiring Diagram - Circuit Diagram www.circuitdiagram.co

Tekmar Boiler Control 260 Wiring Diagram - Circuit Diagram

Tekmar Boiler Control 260 Wiring Diagram - Circuit Diagram

Tekmar Boiler Control 260 Wiring Diagram - Circuit Diagram www.circuitdiagram.co

Tekmar Boiler Control 260 Wiring Diagram - Circuit Diagram

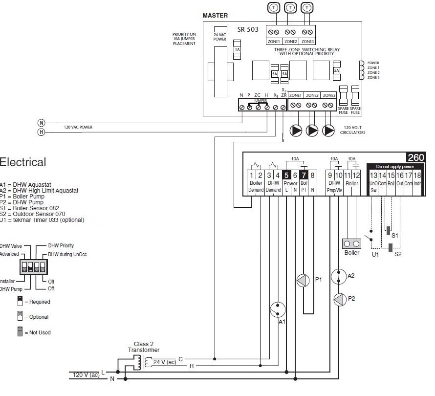
Tekmar Boiler Control 260 Wiring Diagram

Tekmar Boiler Control 260 Wiring Diagram www.circuitdiagram.co

Tekmar Boiler Control 260 Wiring Diagram

Tekmar 256 Wiring Diagram

Tekmar 256 Wiring Diagram wiringall.com

Tekmar 256 Wiring Diagram

Dopaint: Tekmar 260 Wiring Diagram

Dopaint: Tekmar 260 Wiring Diagram dopaint1.blogspot.com

Dopaint: Tekmar 260 Wiring Diagram

Tekmar 256 Wiring Diagram

Tekmar 256 Wiring Diagram wiringall.com

Tekmar 256 Wiring Diagram

Dopaint: Tekmar 260 Wiring Diagram

Dopaint: Tekmar 260 Wiring Diagram dopaint1.blogspot.com

Dopaint: Tekmar 260 Wiring Diagram

tekmar 256 wiring diagram. Dopaint: tekmar 260 wiring diagram. Tekmar 256 wiring diagram